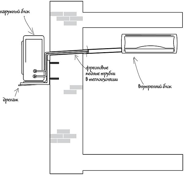
Tutti i dispositivi di tipo evaporativo, incluso il condizionamento dell'aria, funzionano in base alle proprietà fisiche del gas - con una forte espansione, raffreddano il volume. Tale processo si svolge in una camera di evaporazione, il cui scopo è raffreddare l'aria.
Ma quando si raffredda, entra in vigore un'altra legge della fisica, chiamata "raggiungere il punto di crescita". In parole semplici, sembra la comparsa di piccole gocce di rugiada su una superficie fredda, queste goccioline sono chiamate condensa.
In effetti, possono essere chiamati un sottoprodotto del funzionamento dell'apparecchiatura e per il normale funzionamento del dispositivo ha bisogno della rimozione tempestiva della condensa dai sistemi di refrigerazione.
Da dove viene la condensa e dove va
La condensa è una goccia d'acqua. Poiché il dispositivo del condizionatore d'aria è un collegamento elettrico e un circuito difficili, in alcuni casi, l'umidità eccessiva provoca un malfunzionamento o un guasto e se il dispositivo è collegato alla rete, esiste la possibilità di un cortocircuito.
In un giorno, i condizionatori d'aria domestici medi possono raccogliere fino a 10-15 litri di liquido presente nell'atmosfera. E se ci sono molti condizionatori d'aria installati, ad esempio, negli edifici per uffici, centinaia di litri di condensa possono accumularsi al giorno. Tale volume è pericoloso a causa del rischio di alluvione.
Colpisce anche la salute. Le acque reflue sono un buon mezzo per la riproduzione di batteri e muffe che sono pericolose per l'uomo.
Questi elementi sono sufficienti per decidere di installare un drenaggio speciale per il drenaggio del condizionatore d'aria. Il compito principale di cui è la rimozione della condensa in eccesso dalle apparecchiature.
Effetti sulla salute
Il principale pericolo di condensa è lontano dal rischio di allagare qualcosa o guasti alle apparecchiature, è una minaccia per la salute. Se il dispositivo ha diversi componenti per la riproduzione conveniente dei batteri, vale a dire acqua, sporco e calore, tutto ciò crea le condizioni per un incubatore di malattie pericolose e altre infezioni:
- L'odore vile è il più piccolo dei mali. Questo "aroma" serve come avvertimento che è tempo di effettuare una pulizia accurata del drenaggio.
- Batteri patogeni - Esiste un tipo di batteri che causa la polmonite. È anche chiamato la "malattia del legionario", il cui tasso di mortalità è molto elevato.
- Funghi della muffa - alcuni tipi di funghi provocano malattie fino al cancro.

Tubo di scarico intasato
Come scaricare la condensa dal condizionatore d'aria
Dopo le informazioni ricevute sopra, sorge la domanda su come scaricare correttamente la condensa dal condizionatore d'aria. Un modo frequentemente usato e economicamente vantaggioso è quello di portare il tubo di scarico in strada praticando un piccolo foro nel muro. Il vantaggio principale è la semplicità: fatto un buco, allungato un tubo e tutto funziona. Ma c'è un lato negativo, risiede nell'effetto delle "gocce di pioggia" che cadranno sui davanzali delle finestre e causeranno molti disagi ai vicini. Gli svantaggi includono il lato estetico. Non importa quanto sia pratico questo metodo, non a tutti piacciono i tubi appesi all'appartamento, su una parete spoglia.
Sarebbe molto meglio usare il drenaggio della condensa nelle fognature.

Drenaggio drenaggio
Questa opzione non presenta alcun svantaggio. I rifiuti dell'aria condizionata vengono scaricati in un sistema progettato a tale scopo. Questo può essere, come un comune canale fognario, o una rete di condotte appositamente predisposta.Tutti gli scarichi saranno deviati senza il tuo aiuto a causa dell'inclinazione dei tubi.
Ma ci sono anche sottigliezze nell'implementazione di un tale sistema di scarico della condensa da un condizionatore d'aria:
- Per evitare che il cattivo odore degli scarichi penetri nella stanza, è necessario installare un blocco dell'acqua - questa è la parte curva del tubo di drenaggio nella forma della lettera S. Il funzionamento di un tale otturatore è simile al lavoro di un sifone - crea una barriera agli odori che provengono dal basso.
- Se il condizionatore d'aria è rimasto inattivo per lungo tempo, la trappola dell'acqua può asciugarsi e l'aria che fuoriesce inizierà a scaricarsi attraverso il sistema fognario. Per evitare ciò, è sufficiente versare diversi litri d'acqua nello scarico una volta ogni 5-7 giorni.
- Quando si utilizza l'opzione con flusso per gravità, è necessario calcolare con precisione il diametro minimo e l'inclinazione del sistema in modo che tutti i rifiuti del condizionatore d'aria possano fluire liberamente lungo di esso.
Di solito i produttori allegano un diagramma dettagliato che facilita il processo di installazione.

Circuito di scarico condensa
Tubi di drenaggio per condizionatori d'aria
I tubi di drenaggio dei condizionatori d'aria appartengono al sistema di drenaggio e sono rappresentati sul mercato da due posizioni:
- Tubi in polivinilcloruro e polietilene.
- I tubi sono lisci e corrugati.
La prima opzione viene utilizzata più spesso se il drenaggio è piccolo, in altri casi vengono utilizzati sistemi ondulati. Allo stesso tempo, la seconda varietà ha un altro enorme vantaggio: l'eccellente flessibilità del tubo di scarico, che elimina la necessità di ulteriori elementi di fissaggio durante l'installazione, come è necessario quando si lavora con tubi lisci.

Tubi di drenaggio per condizionatori d'aria
Il processo di installazione del sistema di scarico della condensa
Nonostante le difficili descrizioni delle azioni, in pratica il processo di ritiro è estremamente semplice e richiede solo attenzione:
- La prima cosa da fare è rimuovere i dispositivi di fissaggio dal condizionatore d'aria, che si trovano sotto.
- Un piccolo contenitore verrà installato nella parte inferiore sotto il ventilatore per raccogliere la condensa in eccesso. Dal suo lato laterale è visibile un tubo, ad esso con l'aiuto di un morsetto e fissiamo un tubo di drenaggio di un ramo.
- Quindi, raccogliere e trattenere installazione del condizionatore d'aria a posto. Ma è importante che il tubo passi attraverso il foro sul lato del condizionatore d'aria.
Ora devi portare il tubo precedentemente collegato alla fognatura o alla strada. Se il tubo flessibile è retratto correttamente, vedrai le prime gocce che fuoriescono dal tubo.

Modello di drenaggio stradale
Pulizia del sistema di drenaggio
In condizioni domestiche, senza l'aiuto di uno specialista, la pulizia del sistema di drenaggio può essere eseguita solo se solo l'ugello della vasca è sporco. Per fare questo, è necessario:
- Svitare il filtro, che si trova sull'alloggiamento del condizionatore d'aria e sciacquarlo accuratamente.
- Dopo aver rimosso i dispositivi di fissaggio inferiori, scollegare il tubo di drenaggio e rimuovere il bagno.
- Lavare queste parti, prestando particolare attenzione ai fori.
Gli esperti raccomandano anche l'uso di disinfettanti durante la procedura di pulizia, ad esempio una soluzione di clorexidina.
Per altri guasti associati al blocco del drenaggio, sono necessarie attrezzature tecniche, è meglio chiamare il maestro. Le riparazioni fai-da-te possono danneggiare apparecchiature costose.
Il dispositivo e il principio di funzionamento del ventilatore del condizionatore d'aria
Aria condizionata: cosa devi sapere sul suo funzionamento
Inverter nel condizionatore d'aria - che cos'è
Smontaggio dell'unità interna per la pulizia
Sostituzione e controllo del compressore e di altre parti del condizionatore d'aria 

