Thermo-teiera o termo pentola sta guadagnando immensa popolarità. Tuttavia, il suo costo è abbastanza alto, quindi, per risparmiare denaro, alcuni problemi possono essere risolti in modo indipendente. Accade spesso che un sudore termico riscaldi l'acqua, ma non la bolle.

Cause di malfunzionamento del sudore termico.
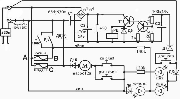
Prima di iniziare a cercare le cause di un guasto in un termo bollitore, è necessario sapere qual è l'oggetto. Thermopot è un bollitore elettrico che include la funzione di un thermos, costituito da due edifici. L'esterno, di regola, è fatto di plastica e interno - di metallo. Nel caso interno è presente un pallone per l'acqua. Il bollitore si chiude con un coperchio, su cui si trova l'intero pannello di controllo.

Per correggere eventuali guasti del sudore termico, la prima cosa da fare è verificare che le impostazioni siano corrette. Nel menu delle impostazioni, è necessario impostare esattamente la temperatura del riscaldamento dell'acqua necessaria. Se tutto è in ordine con le tinture del riscaldamento, allora le cause del danno possono essere:
- un interruttore termico situato sul fondo del bollitore;
- fusibile termico situato sulla parete del sudore termico;
- contatto insufficiente dei connettori delle parti;
- malfunzionamento della scheda elettronica;
- il pannello indicatore ha smesso di spegnersi. Ci sono casi in cui, al contrario, il pannello indicatore si accende e il sudore termico non si avvia. Se questa è la causa del guasto, vale la pena controllare tutti i suoi componenti, il cablaggio e il fusibile termico.
- Il bollitore ha smesso di accendersi. Per eliminare questo malfunzionamento, è necessario verificare il corretto funzionamento del circuito elettrico e dei termostati.
Per identificare più accuratamente la causa della rottura del gadget, è necessario smontarlo.


Come smontare il sudore termico
- Il primo passo è rimuovere il coperchio superiore, poiché interferirà. La prossima cosa da fare è capovolgere il dispositivo e utilizzare qualcosa di piatto e affilato per rimuovere l'anello elastico, ad esempio, con un cacciavite o un coltello. Per fare questo, vale la pena usare un po 'di forza fisica.
- Diverse viti appariranno sotto l'anello del cavatappi, che possono essere facilmente ruotate con un cacciavite riccio.
- Il prossimo passo è rimuovere il fondo del bollitore con un coltello o un cacciavite piatto, il che richiede un piccolo sforzo, perché il fondo è fissato con chiavistelli.
Dopodiché, tutto il riempimento elettronico davanti agli occhi. Ora è necessario controllare tutti i terminali per una connessione stretta.
Importante! Per disassemblare correttamente il sudore termico, devi avere almeno una piccola conoscenza dei componenti elettrici!
Ci sono piccole rotture nel bollitore. In questi casi, puoi fallo da solo.
Ragioni per cui il sudore termico non fa bollire l'acqua
Guasto dell'interruttore termico
I termostati si trovano sulle pareti o sul fondo del sudore termico. Questa parte è fissata al corpo principale con bulloni, da cui parte il cablaggio di contatto. Al fine di mantenere il trasferimento di calore all'interno della nave, i punti di attacco degli interruttori termici sono rivestiti con uno speciale composto bianco. Per rimuoverlo, è sufficiente scollegare il contatto dell'interruttore termico ed estrarlo. In posizione silenziosa, l'interruttore si accenderà. Puoi verificarne la manutenzione con l'aiuto di un tester speciale (le letture dovrebbero essere pari a 0). È necessario fissare due fili all'interruttore termico e abbassarlo in acqua bollente. In questo momento, la sua resistenza dovrebbe aumentare e il tester dovrebbe mostrare un numero infinito - tali letture indicano la manutenzione della parte.Se le letture del tester non si spostano, è necessario sostituire l'interruttore termico con uno simile.

Importante! Prima di acquistare un interruttore termico, consultare un elettrotecnico o un rivenditore presso il negozio.
Se thermopot bolle costantemente l'acquaquindi prestare attenzione agli interruttori termici. Molto probabilmente, dovrai sostituirne uno.
Fallimento di due spirali

Ogni sudore termico ha due spirali di riscaldamento, ognuna delle quali svolge la propria funzione. Il primo è destinato all'acqua bollente e il secondo esegue il riscaldamento costante del contenuto di questa unità.
Se la rottura del sudore termico si è verificata a causa di un malfunzionamento delle spirali di riscaldamento, non ha senso ripararlo. Questo evento richiederà molto tempo e budget familiare. Con un numero enorme di carenze, è meglio acquistare un nuovo bollitore, perché sostituire tutti i cavi e il serbatoio allo stesso tempo costerà un sacco di soldi.
Importante! Indipendentemente dall'azienda e dal volume del produttore, ogni sudore termico è dotato di diverse modalità di riscaldamento, con le quali chiunque può impostare la temperatura ottimale per il riscaldamento dell'acqua.
Ma gli esperti consigliano di acquistare caramelle termiche con non più di tre modalità di riscaldamento, poiché questo è abbastanza per un uso ottimale del dispositivo. I modelli più economici di thermos hanno una modalità di riscaldamento dell'acqua. Questa funzione vale anche la pena considerare quando si acquista un termo-bollitore.
Perché il sudore termico non riscalda l'acqua?
Il problema principale di qualsiasi sudore termico è il riscaldamento dell'acqua. Spesso i motivi sono eventuali cortocircuiti nel circuito, che include il riscaldatore. Possono verificarsi cortocircuiti nel riscaldatore stesso, nei relè e nei fusibili. Il modo più semplice per scoprirlo è "suonare" ogni elemento, così come tutti i cavi con un multimetro. Utilizzando questo metodo, è possibile scoprire facilmente quale parte richiede la sostituzione o la riparazione.

Malfunzionamento del fusibile termico

Quindi quale ruolo svolge una miccia termica in un bollitore elettrico? Questo pezzo di ricambio è uno dei più necessari nel dispositivo. Protegge il dispositivo dalla combustione. Se almeno uno dei fusibili smette di funzionare, l'acqua smette di riscaldarsi.
In genere, queste parti sono attaccate alle pareti laterali del sudore termico. Ma in alcuni modelli possono essere installati sul fondo e il loro aspetto ricorda piccoli cilindri. Cominciano a funzionare quando la temperatura dell'acqua raggiunge un punto di ebollizione. Il loro ruolo è quello di spegnere il dispositivo se non c'è abbastanza acqua al suo interno. Se i fusibili termici iniziano a funzionare prima che l'acqua bolle, questo può portare al surriscaldamento del flusso termico e non bolle, ma semplicemente riscalda l'acqua. Per verificare la salute di questo apparecchio, è necessario inserirlo in acqua bollente. E se si accende prima che bolle, significa che è difettoso e deve essere sostituito.
Riparazione di fusibili termici.
È necessario controllare tutti i componenti principali del dispositivo con un multimetro. Test del relè termico. Per fare ciò, il tester deve essere impostato su una modalità che consente di misurare la resistenza.

Il multimetro mostra una completa mancanza di resistenza, il che significa che è lui il motivo principale per cui il sudore termico non riscalda l'acqua. E questo significa che il sensore deve essere sostituito con uno nuovo. Per sostituirlo, è necessario un cacciavite riccio. Con il suo aiuto, è necessario svitare i bulloni che fissano il sensore e sostituirlo con uno funzionante.
Importante! Va ricordato che la temperatura costante del fusibile termico, in condizioni di funzionamento, è di circa 900CON.
Se dopo aver cambiato il relè termico il sudore termico cominciò a funzionare in modalità normale, significa che gli sforzi non sono stati vani e la riparazione è stata eseguita con successo.
Thermopot non pompa acqua - riparazione della pompa thermopot fai-da-te
Come riparare un sudore termico con le tue mani: cause e loro eliminazione
I migliori bollitori elettrici - TOP-10 per il 2019
Consumo energetico per diversi tipi di caldaie
Quale bollitore elettrico è meglio scegliere? Valutazione dei migliori bollitori elettrici 

