Funzionamento a frigorifero direttamente correlato alla circolazione di freon nel sistema. Questo processo è fornito da un'unità specializzata: un motore-compressore. Se le prestazioni di questa unità vengono perse, o se il compressore non si avvia (o si avvia e si spegne immediatamente) sul frigorifero, il frigorifero non sarà in grado di svolgere la sua funzione diretta - raffreddamento.

Compressore frigorifero
Tuttavia, il nodo non si avvia sempre a causa di un malfunzionamento. In effetti, potrebbe non esserci alcun guasto, ma il motore non si avvia a causa di una tensione insufficiente. Inoltre, i motivi possono essere correlati alla suddivisione di altri nodi. Ad esempio, cablaggio o guasto dello stabilizzatore. In questo caso, il frigorifero si disecciterà, rispettivamente, non si avvierà. Se il relè scatta, ma il motore non si avvia, probabilmente c'è un cortocircuito negli avvolgimenti dell'apparecchio e anche il relè di avviamento stesso potrebbe non funzionare correttamente.
Sintomi del compressore
Se il frigorifero funziona con violazioni delle condizioni di temperatura, spesso si accende o, al contrario, quasi non si spegne, si congela molto - questa è un'occasione per pensare alla salute dell'unità.
In genere, il compressore del frigorifero non si avvia dopo un funzionamento anomalo o un sovraccarico. L'inceppamento dell'unità si verifica se si scollega il dispositivo per meno di un minuto. Per questo motivo, consigliamo vivamente di non farlo.
È necessario controllare i nodi e cercare le cause in sequenza. Se il motore funziona senza spegnersi, l'area diagnostica si restringe, ma ciò non significa che in questo nodo sia necessario un malfunzionamento. Ma, anche se la ragione, ad esempio, è nei sensori di controllo o nei relè, la perdita di refrigerante, la situazione non può essere ignorata. In ogni caso, lavorando per usura, questa unità si surriscalda prima o poi e si guasta.

Riempiendo il frigorifero di freon
Puoi parlare del guasto del compressore stesso se compaiono i seguenti sintomi:
- Il motore ronza, sta provando ad avviarsi, ma ciò non accade.
- Una pozzanghera oleosa apparve sul pavimento sotto il dispositivo.
- Il motore è molto caldo, bussa, vibra, fa rumore all'inizio e al lavoro.
Poiché l'unità è composta da due dispositivi: il motore e il compressore, è necessario distinguere i loro guasti. In generale, i malfunzionamenti del motore-compressore possono essere associati a:
- interruzione e corto circuito degli avvolgimenti dello statore (vale per il motore);
- circuito di avvolgimento sull'alloggiamento (vale anche per il motore);
- perdita di prestazione;
- depressurizzazione.
È possibile determinare cosa è successo esattamente ai segni indiretti. Se il dispositivo funziona senza spegnimenti e la temperatura nelle celle è elevata, è possibile che il refrigerante perde. A volte la diagnosi mostra che la compressione è scomparsa. Questo indica lo sviluppo del dispositivo. È meglio sostituirlo con una nuova unità.
Se il compressore ronza quando è acceso e non si avvia, mentre non ci sono cortocircuiti negli avvolgimenti, è molto probabile che si sia verificato un inceppamento.
Il compressore si è rotto nel frigorifero: cosa fare
La sostituzione di un compressore è uno dei servizi più complessi e costosi nei centri di assistenza. Inoltre, il pezzo di ricambio stesso è costoso. L'esperienza dei maestri e molti anni di osservazione mostrano che se un dispositivo è usurato, c'è un grande output, è meglio sostituirlo immediatamente con uno nuovo. Ma in alcuni casi, ad esempio, se vengono consumate guarnizioni, anelli o singole parti del motore, la parte può essere riparata. La decisione finale viene presa dal comandante, in base all'adeguatezza della procedura.

Diodo KD 203A
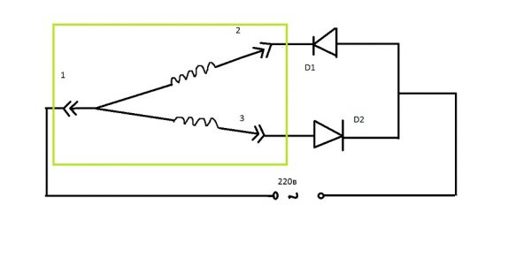
Un compressore bloccato può provare a incunearsi. Per questo, viene utilizzato un dispositivo specializzato, composto da 2 diodi con una tensione inversa consentita di almeno 400 V e una corrente diretta limitante di 10 Ampere. Ad esempio, KD 203 A, D 232 A, D 246-247.
Per eliminare il cuneo usando questo design, la tensione viene applicata agli avvolgimenti del motore per 3-5 secondi. L'azione si ripete dopo 30 secondi. È possibile collegare il dispositivo tramite i connettori dei relè di partenza P1, P2 o P3 o utilizzando terminali isolati. Il principio di funzionamento del progetto si basa sulla coppia utile che si verifica sull'albero del motore quando la corrente scorre attraverso i diodi. Il rotore del motore inizia a vibrare, la vibrazione viene trasmessa ai nodi inceppati e li rilascia.

Schema elettrico di un dispositivo di incuneamento del compressore
Posso controllare e riparare il compressore da solo?
La tecnologia di sostituzione del compressore non è sicura, molto complessa e richiede l'uso di strumenti specializzati:
- bruciatore di ossigeno propano;
- tagliatubi;
- rilevatore di perdite (determinare con il suo aiuto anche un posto perdite di freon);
- termometro di tipo elettronico;
- valvole per la selezione di freon e piercing;
- Giunti Hansen;
- deumidificatore;
- acari di pizzico;
- saldatura e flusso;
- cilindro di carica;
- nuovo compressore motore.
Dovresti considerare se è consigliabile acquistare tutto questo per sostituire il compressore? L'acquisto di tutte le parti avrà un costo maggiore rispetto ai servizi di un riparatore.
Un altro argomento contro di esso è l'alto pericolo del lavoro. Dopotutto, il lavoro viene eseguito con gas, una sostanza esplosiva. Dovrei mettermi a rischio? Senza esperienza e conoscenze necessarie, esiste il rischio di danneggiare i tubi, liberare tutto il gas o rovesciare l'equilibrio.
Per coloro che tuttavia hanno deciso di fare il lavoro da soli o sono solo interessati a quanto complicato e come procede la procedura, descriveremo la tecnologia del lavoro quando si sostituisce un compressore del motore.
Importante! Consigliamo vivamente di non sostituire il compressore da soli! È pericoloso per la vita!
Smantellamento del vecchio compressore:
- Tagliare con un file e rompere il tubo di riempimento.
- Intaccare e rompere un tubo capillare a una distanza di circa 2-3 cm dal filtro disidratatore.
- A una distanza di 1-2 cm dalla giuntura del tubo-compressore, tagliare i tubi di aspirazione e di scarico, fare lo stesso a una distanza di 1–1,5 cm dalla giuntura del filtro del condensatore con un essiccante. Per fare ciò, utilizzare un tagliatubi.
- Rimuovere il relè di avvio.
- Rimuovere il supporto del compressore.
- Rimuovere il compressore stesso.
- Per pulire la pipeline.

Rimozione del compressore

Montaggio del compressore
Installazione di un nuovo compressore:
- Installare il compressore sul sedile.
- Rimuovere le spine dagli ugelli. Questo dovrebbe essere fatto non prima di alcuni minuti prima della saldatura.
- Assicurarsi che non vi sia una pressione eccessiva. Questo dirà il rumore dell'aria in uscita, che si sente quando si rimuovono le spine.
- Dock con gli ugelli del tubo del compressore: quelli che sono stati tagliati nell'ultima fase. Il tubo di riempimento deve avere un diametro di 0,6 cm e una lunghezza di 6 cm.
- Saldare in ordine rigoroso: prima riempire, quindi aspirare e quindi scaricare. È vietato dirigere la fiamma del bruciatore all'interno della tubazione del motore.
- Rimuovere i tappi dal filtro disidratatore, installare il filtro sul conder e integrare un tubo capillare in esso. Saldare le cuciture dell'intero filtro.
- Montare la metà del giunto della valvola sul tubo di riempimento.
- Assicurati di saldare tutti i giunti. Non dovrebbero esserci vuoti dissaldati, le cuciture stesse dovrebbero essere lisce e uniformi.
- Riempi il sistema con freon.
- Installare il relè di avvio sul compressore.
- Collegare il frigorifero e lasciarlo funzionare per alcuni minuti.
- Successivamente, verificare la presenza di una perdita con un rilevatore di perdite.
Pro e contro di Frigoriferi Nou Frost
Frigorifero vicino alla stufa e al forno - posso?
È possibile appendere i magneti del frigorifero
Come scegliere un buon frigorifero a due camere e le caratteristiche del suo dispositivo
L'acqua nel frigorifero non scompare e perché l'acqua non si congela nel congelatore: cosa fare 

