In country cottages, and even in some urban buildings, often there is no hot water supply. In such conditions, autonomous water heaters of a boiler type are used, capable of heating large volumes of water to a high temperature. But if the house already has a heat source - central heating or an autonomous heating boiler - then for the receipt of hot water it is worth installing an indirect type boiler.

Different forms of heaters with indirect type of heating
Indirect Water Heater Device
Boilers of this type got their name - “indirect” because they do not have their own heating elements. They are connected to an external heating system, receiving heat from it to heat consumer water. Therefore, any water heater of this type is equipped with a heat carrier supply circuit and a circuit for pumping heated water. In shape it is a metal tank of a cylindrical, less often cubic form, into which cold water is poured, and equipment has been built in to circulate warm water from an external heating source. To maintain the achieved water temperature, a layer of thermal insulation is applied to the tank. The useful volume of heated water in different models is in the range of 60 - 400 liters.
Indirect water heater with coil heat exchanger
In the most common models of boilers with indirect water heating, the circuit along which the external coolant circulates is an ordinary coil made of a steel tube.

Sectional view of a water heater with a coil heat exchanger
The design of an indirect water heater on the principle of "tank in tank"
The internal structure of such a water heater is clear from the name itself.

The device of the indirect heater type "tank in tank"
Heated water fills the internal tank, which does not contain any extraneous elements inside - only water and its supply and extraction pipes. The coolant circulates in the gap between the walls of the external and internal tanks. This design provides a large area of thermal contact, therefore, heating of water to the required temperature is faster.
Location of boilers
Perhaps the following arrangement of water heaters:
- Wall. Small volume boilers - up to 150 liters - are usually available in a wall-mounted version. This design is equipped with brackets to fix it high above the floor. It should only be remembered that the wall must be guaranteed to support the weight of the tank filled with water.

Wall mounted boiler
- Floor. Large tanks - from 200 to 400 liters - are mounted exclusively on the floor. For their correct installation requires a flat surface or the creation of a special stand.

Installing an indirect boiler on a separate stand
- There are models with a horizontal tank. But their use is fraught with certain problems, so they are not popular.

Horizontally located boiler
Additional devices and devices
For the proper functioning of the entire indirect heating system, additional and control elements can be installed in it:
- Pumps that supply coolant to the boiler.
- Control valve. Its task is to open access to the coolant in the boiler and block it after reaching the desired heating temperature.
- Safety valves. Designed to cut off the reverse flow of water.
- Adjustable thermostat. Signals from it control the operation of pumps and control elements.
- Many systems are manufactured in a combined type - in addition to the heat exchanger, they are equipped with built-in heating elements - heating elements. This allows you to use them as direct heating boilers. If the source of external heat is the central heating system, then in the summer season it does not work. And a “clean” indirect heater is useless. In addition, interruptions and accidents are not excluded for other heat sources. Here for emergency cases and has its own heater.
- A special anode can be installed in the upper region of the tank, which prevents galvanic corrosion of the tank and reduces scale on the walls of the tank.
The principle of operation of an indirect water heater
Installation of an indirect heating system is not difficult, as is the principle of its operation. In the simplest connection option, the operation of the system looks as shown in the diagram.

Scheme of the indirect heating system
Water heated in the heating system passes through a coil heat exchanger (or between two tanks), where it gives off heat to the cold water accumulated inside the tank. The cooled coolant is returned to the heating circuit. After some time, thermal equilibrium is reached, and the water temperature in the boiler becomes equal to the temperature of the coolant.
The heating circuit and the water supply circuit are usually mounted towards each other. The cold water entry point is located at the very bottom of the boiler, and hot water is drawn from the top. In "tank in tank" type boilers, the heated coolant enters the tank from above, and the cooled coolant is removed from the bottom. In water heaters with a coil, the fitting for the coolant inlet is usually located in the middle of the boiler, but the output is still from the bottom, that is, the input of the heat circuit is located above the outlet. This connection principle ensures maximum efficiency of the system and ensures a high temperature of water taken from the system. In the upper part of the boiler tank is always the hottest water, which goes to household needs. At the same time, less warm layers rise to its place, and they quickly heat up.
Typically, the operation of the system is controlled by simple automation. An adjustable thermostat installed in the tank, upon reaching the required water temperature, shuts off the flow of water in the heating circuit. After cooling, the heating is switched back on.
For a more complete and uniform heating of water in the tank, a recirculation loop is provided, along which water circulates in the absence of its consumption. With the beginning of the flow of water to the points of consumption, the recirculation loop is closed.
Advantages and disadvantages of indirect water heaters
The main advantage of this type of system is that they practically do not consume energy for heating water. The coolant comes from an external source, the power of which is enough to heat the room, and to ensure the operation of the water heater.
Of course, a reservation should be made - when the heating system is turned off, the flow of "free" heat also ceases. You have to turn on your own boiler electric heater, consuming electricity. But in the heating season or in rooms with constantly operating heating boilers - the savings are undeniable.
Other benefits include:
- High heating power.The absence of low-power internal heating elements and the receipt of energy from a powerful external source provides fast heating of large volumes of water.
- The ability to connect an indirect heating system to a variety of external sources - a heating system, autonomous boilers of any type, environmentally friendly sources on solar cells.
- The flow of hot water to the place of consumption immediately after turning on the tap. There is no need to “pump” cold water, waiting for it to warm up.
- Easy installation of the entire system. Special knowledge and experience are not required to connect the boiler to heating and water circuits.
There are also disadvantages. The main one is manifested when the water heater is connected to the seasonal heating system. At the end of the heating season, the water heater ceases to be indirect and goes into direct heating mode using built-in heaters. But for rooms in which powerful heating systems operate year-round, this drawback is absent.
Other cons:
- During initial heating, when the entire volume of the boiler is filled with cold water, a significant amount of heat is taken from an external heater. This affects the operation of the entire heating system of the house, reducing its effectiveness. But even large-volume water heaters come to a constant operating mode for no more than an hour. So this flaw is temporary.
- Reliable provision of multiple consumption points requires large volume boilers. They take up a lot of space, sometimes they need to be installed in a separate room.
- The cost of indirect water heaters is usually higher than that of direct electric boilers.
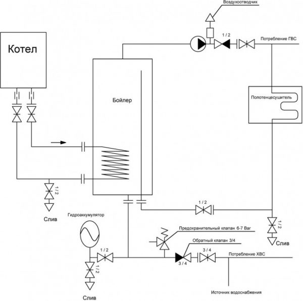
Scheme and features of connecting an indirect heating system
High-quality water supply is possible using all the capabilities of an indirect heater. Installation of the system must be carried out using devices that regulate the operating parameters and protect against emergency situations.

Circuit diagram of the heater with recirculation
- With rare exceptions, the cold water inlet is located at the bottom of the boiler. Hot water outlet is at the top.
- The movement of the coolant in the coil and in the system of two tanks is carried out from top to bottom.
- To regulate the flow of coolant into the boiler, a single-circuit circuit is usually used, in which a three-way valve is the regulating element. The valve is controlled by signals from a thermostat integrated in boiler.
- It is necessary to install safety elements that ensure safety. The non-return valve in the water circuit blocks the movement of water in the opposite direction. An expansion tank or accumulator compensates the pressure in the input and output circuits in the absence of consumption. A valve that protects the system from high pressure and an automatic air vent are also required.
- If the water heater has an additional water inlet in the middle of the tank, it is useful to install a recirculation loop. It will ensure uniform heating of the entire volume of water in the tank. For its operation, the installation of an additional circulation pump is required.
If the consumption of hot water is rare, it makes sense to install a dual-circuit circuit, where the heat carrier enters the tank separately from the heating circuit. Then, instead of a three-way valve, another additional pump is installed to pump the coolant into the boiler.
Examples of indirect water heater models
When choosing a specific model, you need to take into account the conditions in which she will have to work, and select the appropriate technical characteristics for them:
- Boiler volume. The working volume - the volume of water placed in the tank - is selected according to approximate recommendations. 60 liters can be enough for one person; 2 - 3 people - 100 - 120 l. For more, you need to take more than 150 liters.
- Correspondence of the power of the heating system and the power consumed by the boiler. Ensuring the normal operation of the 100-liter enough boiler power a heating boiler is not less than 20 kW, and for a volume of 150 - 200 l, 35 - 40 kW will be required.
- The heating time to operating temperature depends on the volume and on the number of turns of the coil. Some models are equipped with two coils.
- Sizes. Choosing them, you should be guided by the fact that the best place to install the boiler is next to the heating boiler.
Small vertical water heater Gorenje GBK80ORLNB6
Characteristics:
- Type of heating - combined (coil + 2 “wet” heating elements)
- Tank Volume - 80 L
- Mounting - Wall
- Heat exchanger power - 17 kW
- Weight - 58 kg
- Estimated cost: 20 - 22 thousand rubles.

Gorenje GBK80ORLNB6 wall mounted water heater with a volume of 80 l
Medium water heater BOSCH WSTB 160 C
This is a purely indirect boiler, in which there is no internal heating element.
Characteristics:
- Tank Volume - 160 L
- Installation - floor
- Heat exchanger power - 25 kW
- Possibility of recycling - provided
- Temperature adjustment: 35 - 85 ° C
- Weight - 42 kg
- Approximate price: 25 - 27 thousand rubles.

Floor heater BOSCH WSTB 160 C 160 l
Large water heater Hajdu STA 400 C
Characteristics:
In the basic configuration - a model of purely indirect heating. But it is possible to additionally install your own heating element.
Characteristics:
- Tank Volume - 400 L
- Installation - floor
- Heat exchanger power - 35 kW
- Integrated temperature control
- Weight - 142 kg
- Approximate price: 75 - 85 thousand rubles.

Hajdu STA 400 C indirect water heater with a capacity of 400 l
What is a instantaneous water heater, how does it work and how to use it
How to properly drain water from a water heater
Set the temperature of the water heater and determine by the strip
Do-it-yourself dismantling of the water heater and individual parts
Installation and connection of instantaneous water heater - step by step instructions 

