- What is mica?
- Why do you need mica in a microwave oven
- Why should there be a mica barrier between the camera and the waveguide
- Let's talk a little about frequencies
- How to understand that the time has come to change the mica plate?
- Features of the choice of material
- How to change the plate with your own hands
Micas in a microwave oven are the most important component, the task of which is to protect internal components of the structure from high temperatures. Being a dielectric, this material protects such an important component as a magnetron from moisture. The emitted microwaves, due to the special properties of mica, provide an even distribution of heat in the chamber.
However, despite all the advantages of the considered component, it can become unusable during operation. The mica burned out in the microwave oven can be guessed by sparking. What if your microwave pops and sparks because the plate burned out? Replacement required. How to do this, how to choose the right material, and we will discuss further.

Microwave Mica
What is mica?
Mica is a natural dielectric that, thanks to its properties, transmits radio waves. In its natural state, this material crumbles. That is why, in order to be able to use it in the device, the material undergoes additional processing: an elastic base with a thickness of 0.1-0.5 mm is applied to the mica sheet.
Why do you need mica in a microwave oven
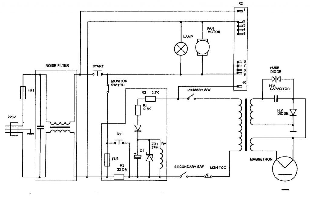
The preparation of products in the microwave occurs due to the operation of the magnetron. It is this element that generates a microwave signal. A transformer is also included in the microwave generation chain. This device converts the alternating current of the household network to the values necessary for the normal operation of the magnetron. A magnetron interacts with the camera through an antenna.
In a microwave oven, in addition to a transformer and a magnetron, the following elements are included in the circuit: a plate motor, limit switches, a high-voltage capacitor, and high voltage diode, the control unit, and, of course, do not do without a fuse.

Microwave circuit diagram
If the microwave oven suddenly began to sparkle - in 90% of cases mica burns in it. What is a mica shield for?
The mica plate performs several important functions in the device at once:
- Allows other parts of the microwave oven to withstand high temperatures.
- Protects magnetron from dirt and grease.
- It distributes microwave waves, providing uniform and high-quality heating.
- Reflects waves emitted by the emitter.
As you can see, the oven will not work without a mica plate. Therefore, if the plate is damaged, it must be urgently replaced.
The protective plate can be placed in the center, in the lower or right side of the camera.
Why should there be a mica barrier between the camera and the waveguide
A necessary condition for the correct operation of the device is the purity of the waveguide. If the walls of this antenna become dirty, oxidation occurs, the performance of the assembly decreases. Mica protects the waveguide from contamination.
To prevent fat from getting on the mica sheet, which, in turn, burns under the influence of microwave radiation, cover food during cooking. If this is not done, the plate burns out, gaps are formed in it, through which the radiation goes directly into the furnace. Because of this, the furnace sparks and pops. If this happened, do not hesitate! Turn off the power and call the master or change the mica with your own hands!
Let's talk a little about frequencies
Next to a working microwave oven, it does not catch Wi-Fi and smartphones do not work.Why it happens? The reason for this is the coincidence of frequencies. Household equipment uses certain frequencies allocated to it. Among them is the frequency of 2.4 GHz. However, many modern routers already operate at a frequency of 5 GHz, so this can not be noticed.
How to understand that the time has come to change the mica plate?
The microwave oven may not turn on and not work for various reasons: the magnetron burned out, the waveguide broke, the mains fuse or high-voltage network elements burned out. How to understand that the reason is in mica?
Inspect the plate carefully. If it is dark, there are spots on it - this is a sign that the mica plate is in urgent need of replacement. You need to act even faster if the plate is covered with grease, cracks appear on it, or even you observe crumbling.

If there are spots on the surface of the mica plate, a replacement is needed
The plate breaks and deforms due to long operation, accelerate the process of moisture and grease. Also, fungi can settle on the mica, which will destroy the dielectric due to its vital activity and reproduction.
The first sign of burnout is cracking when turned on. There is sparking inside the chamber, and near the plate itself you can even see electric arcs. To fix the problem, just replace the mica.
Important! Try to carefully care for the equipment, use permitted products, follow the manufacturer's recommendations - and then malfunctions of a different nature will be minimized. Do not forget to regularly clean the walls of the chamber from food, keep the mica plate clean. The new plate will serve you for a long time if you do not neglect the recommendation to cover the dishes.
Features of the choice of material
When choosing a material suitable for these purposes, note that it must have the following properties:
- Should not accumulate an electric charge.
- Resistance to high temperatures.
- Low toxicity, including at high temperatures.
- It’s good to let steam through.
If you neglect these recommendations and install inappropriate material, you risk poisoning. In addition, the likelihood of a short circuit increases.

Microwave Mica
All of the above characteristics have mica. It is not for nothing that manufacturers use it. This type of dielectric is inexpensive and easy to find on the market.
On a note! Mica plates can be reused.
For this:
- dismantle the plate, while acting very delicately;
- thoroughly clean it from dirt and grease;
- flip it over with the other side;
- make new holes and place in the seat.
Of course, the foregoing does not apply to severely destroyed and deformed plates, which literally crumble.
In recent years, masters of microwave repair stoves began to use food grade plastic as an alternative. Why are they doing that?
Using plastic instead of mica is beneficial for the following reasons:
- Heat-resistant food grade plastic is much stronger than mica.
- A plastic part will serve you more than a plate made of mica.
But, despite these advantages, such a solution did not receive widespread adoption. Moreover, manufacturers do not use plastic as a protective screen. Another argument against this decision is that a suitable plastic is more expensive and difficult to find on sale.
How to change the plate with your own hands
Despite the fact that do-it-yourself repairs in the case of microwaves are not the best solution, because the device uses very high voltages, they remain even after turning off the equipment (on capacitors), you can replace the plate yourself. This does not require disassembly of the housing. We will tell you how to do it right.
When replacing the mica plate with a new algorithm, the following:
- Remove the old plate.Depending on the fastening method used by the manufacturer, for this you will have to depress the latches or unscrew the fasteners using a Phillips screwdriver.

Unscrew the mica plate
- Use the old part as a stencil in order to make a new plate according to the given template. Then sand the workpiece with fine-grained sandpaper. When removing serifs, sandpaper and all sharp edges. Do not forget that mica is a fragile material. The most suitable tool for cutting mica is a sharp shoe or wallpaper knife. Work is carried out on a line of steel. Holes of suitable diameter can be made with a punch.

Cut a new plate using the old one as a stencil
- After the workpiece is done, you need to pre-prepare the surface. To do this, thoroughly clean the grease and dirt from the place where you plan to install the sheet. Put the new part in place of the burned one. If the mica is held by special tabs, insert a plate under them.

Clean the mounting location of the plate from contamination »
- We check the operability of the microwave oven. To do this, load any product into the chamber, for example, a glass of water, and turn on the device for several minutes. If you did everything correctly, there will be no sparking, and the water will heat up.

Check how the microwave works after replacing the plate
If a dielectric plate burns out in your microwave oven, do not worry too much. This is one of the simplest breakdowns that do not require a lot of money to fix it. In addition, even a person who is not at all versed in electrics and electronics can handle the replacement of a plate. On the other hand, the problem should not be ignored. If the part is not replaced in a timely manner, the magnetron will soon fail, and the cost of this unit is approximately half the cost of the microwave. Follow the manufacturer's recommendations, cover the products with a lid, periodically clean the walls of fat - and then the microwave oven will serve you for many years, and you will not even know about troubles such as burnt mica!
Why the microwave does not work and how to fix it
Magnetron sparks in the microwave - how to check and replace
Odor from the microwave: how to clean with proven products
All about microwave grilling: what is it and how to use the function
How many kilowatts a microwave consumes 

